Thông Tin Sản Phẩm
- Mã sản phẩm: S-T100
- Dòng định mức In: 105A (AC-3/380V)
- Tiếp điểm: 2a2b (2NO+2NC)
- Số cực: 3P
- Đáp ứng tiêu chuẩn JIS C8201-4-1, IEC 60947-1, IEC 60068-2-6, IEC 61373
- Độ bền cơ học đạt tới 10 triệu lần đóng cắt
- Kích thước nhỏ gọn tiệt kiệm không gian tủ điện
- Thiết kế thông minh chống tai nạn điện
- Qui ước tiếp điểm phụ:
a: Tiếp điểm thường mở (NO)
b: Tiếp điểm thường đóng (NC)

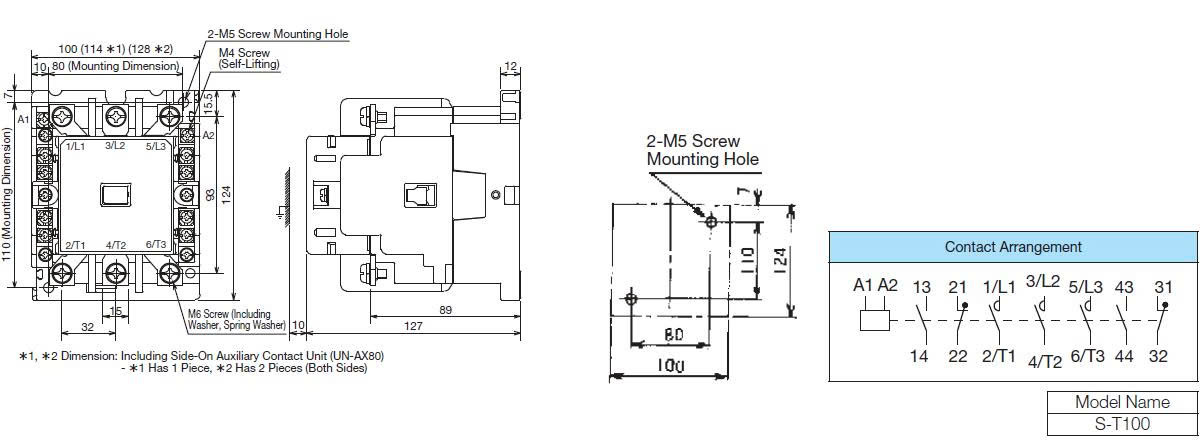
Kích thước CONTACTOR S-T100 MITSUBISHI








