Bộ điều khiển tụ bù Shizuki là giải pháp tự động tối ưu hóa quá trình bù công suất phản kháng, giúp hệ thống hoạt động hiệu quả, ổn định và tiết kiệm năng lượng. Bài viết này, Huỳnh Lai sẽ hướng dẫn cài đặt bộ điều khiển tụ bù Shizuki chi tiết, kèm sơ đồ đấu dây và các lưu ý quan trọng.
1. Giới thiệu về bộ điều khiển tụ bù Shizuki
Bộ điều khiển tụ bù Shizuki đến từ Nhật Bản, được ứng dụng rộng rãi trong các tủ bù hạ thế nhờ khả năng đo dòng chính xác, đóng – cắt tụ tự động theo tải và bảo vệ hệ thống khỏi các sự cố điện. Thiết bị này giúp doanh nghiệp duy trì Cosφ ổn định, hạn chế rung lắc điện áp, tối ưu hóa hiệu suất máy móc và tiết kiệm chi phí.

Bộ điều khiển tụ bù Shizuki cho khả năng đo dòng chính xác, đóng – cắt tụ tự động theo tải và bảo vệ hệ thống khỏi các sự cố điện
Tìm hiểu: Bộ điều khiển tụ bù là gì? Chức năng, nguyên lý và ứng dụng
2. Đặc tính kỹ thuật của sản phẩm
– Tự động điều chỉnh số cấp định mức và hệ số C/K.
– Thay đổi hướng đo dòng theo tải tự động.
– Hiển thị thông số: Cosφ, dòng điện và tổng hài (THD) của điện áp.
– Đánh giá mức độ rủi ro của hệ thống.
– Cấp cuối có thể điều khiển quạt và lập trình cảnh báo.
– Báo động khi: điện áp thấp/cao, bù thiếu, Cosφ chưa đạt, THD vượt ngưỡng.
– Tuân thủ tiêu chuẩn IEC 61000-6-2.
3. Cấu tạo và các nút chức năng trên thiết bị
Cấu tạo bộ điều khiển tụ bù Shizuki được thiết kế trực quan, giúp kỹ thuật viên dễ dàng thao tác trong quá trình cài đặt và vận hành.

Màn hình hiển thị và các phím chức năng bộ điều khiển tụ bù Shizuki
Các nút chức năng của bộ điều khiển tụ bù Shizuki gồm có:
a: Màn hình 3 LED 7 đoạn hiển thị các giá trị vận hành.
b: 2 đèn báo phân biệt cosφ chậm (IND) hoặc cosφ nhanh (CAP).
c: Đèn LED hiển thị trạng thái và thông số từng cấp tụ.
d: Nút Up: tăng giá trị hoặc di chuyển giữa các menu.
e: Nút MODE: chuyển đổi giữa các menu và chế độ hiển thị.
f: Nút Down: giảm giá trị hoặc di chuyển menu ngược lại.
g: Nút PROG: dùng để nhập và lưu các thông số cài đặt.
h: Đèn báo chế độ vận hành: bằng tay (Manual) hoặc tự động (Auto).
i: Đèn hiển thị các thông số đang được giám sát hoặc đang cài đặt.
Xem thêm: Hướng dẫn sử dụng bộ điều khiển tụ bù SK
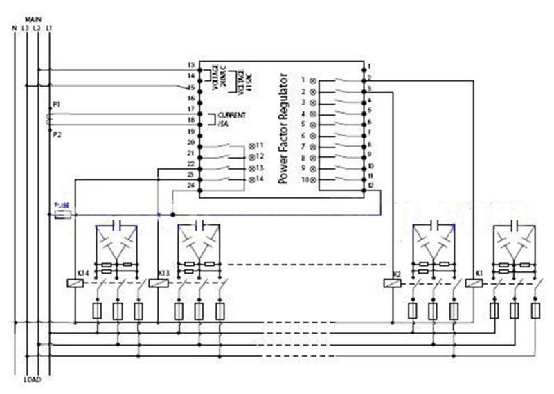
4. Sơ đồ đấu dây của bộ điều khiển tụ bù Shizuki

Sơ đồ đấu dây Shizuki dùng cho hệ 3 pha 220/380V, với nguồn nuôi bộ điều khiển 380/415V và cuộn dây contactor 220V.
5. Điều kiện và yêu cầu trước khi tiến hành cài đặt
– Kiểm tra thông số hệ thống điện: dòng tải, Cosφ hiện tại, điện áp hoạt động.
– Kiểm tra CT: tỉ số đúng, chiều lắp chính xác, dây tín hiệu không lỏng hoặc đứt.
– Kiểm tra tổng dung lượng tụ và số cấp: đảm bảo dung lượng thực tế trùng với thông số khai báo.
– Đảm bảo an toàn điện: ngắt nguồn, trang bị bảo hộ, chỉ kỹ thuật viên thực hiện thao tác.
6. Hướng dẫn cài đặt bộ điều khiển tụ bù Shizuki
Dưới đây là hướng dẫn cài đặt bộ điều khiển tụ bù Shizuki chi tiết:
6.1. Bước 1: Cài đặt hệ số cos (φ)
Đầu tiên, cấp nguồn cho bộ điều khiển và nhấn MODE cho đến khi đèn Set Cos(φ) sáng. Tiếp theo, nhấn PROG để mở chế độ chỉnh hệ số Cos(φ). Sử dụng UP hoặc DOWN để lựa chọn giá trị phù hợp. Thông số Cos(φ) thường được thiết lập trong khoảng 0.90 – 0.98, với đèn IND hiển thị trạng thái. Thông thường, kỹ thuật viên hay đặt Cos(φ = 0.95 IND) để đạt hiệu quả bù ổn định.
6.2. Bước 2: Cài đặt hệ số D/K
Quá trình thiết lập hệ số có thể để bộ điều khiển Shizuki thực hiện tự động. Tuy nhiên, khi hệ thống được cài đặt ngay tại xưởng hoặc nhà máy, việc chỉnh tay hệ số C/K sẽ giúp bộ điều khiển hoạt động chính xác và ổn định hơn.
Việc cài đặt được thực hiện khi bạn đã biết trước giá trị C/K cần nhập. Hệ số K có thể tính theo hướng dẫn của bộ điều khiển hoặc tra cứu tương tự như các bảng tham chiếu tiêu chuẩn. Trong một số trường hợp, có thể lấy gần đúng theo ví dụ minh họa:
Cách thao tác:
- Nhấn MODE đến khi đèn C/K bật sáng.
- Nhấn PROG để chuyển sang thay đổi giá trị C/K.
- Dùng UP hoặc DOWN để điều chỉnh đến giá trị C/K = 0.56.
- Nhấn PROG một lần nữa để xác nhận và tiếp tục điều chỉnh C/K nếu cần.
6.3. Bước 3: Cài đặt các bước tụ
Giả sử hệ thống sử dụng 4 cấp tụ, mỗi cấp có dung lượng 20 kVAr. Nhấn MODE cho đến khi đèn RATED STEPS bật sáng, sau đó nhấn PROG để truy cập phần cài đặt giá trị từng cấp tụ. Khi đèn của cấp số 1 sáng, tiếp tục nhấn PROG để cho phép chỉnh thông số. Dùng UP hoặc DOWN để đặt giá trị 001, rồi nhấn PROG để lưu lại.
Nhấn UP để chuyển sang cấp số 2, lặp lại thao tác và đặt giá trị 001 tương tự. Thực hiện cùng quy trình cho cấp 3 và cấp 4. Với các cấp không sử dụng (cấp 5 và 6), nhập giá trị 000.
Sau khi hoàn tất, quá trình cài đặt số bước tụ được xem là hoàn chỉnh.
6.4 Bước 4 : Cài đặt chương trình điều khiển
Trước khi vận hành chính thức, cần chuyển bộ điều khiển tụ bù sang chế độ điều chỉnh bằng tay để kiểm tra hoạt động của các contactor. Nhấn MODE cho đến khi đèn SWITCH PRO sáng, sau đó nhấn PROG để vào phần chọn chế độ điều khiển. Dùng UP hoặc DOWN để chọn chế độ n-A (bằng tay), rồi nhấn PROG để xác nhận.
Để thử chế độ bù tay, tiếp tục nhấn MODE cho đến khi đèn MANUAL bật. Nhấn UP từng lần và quan sát. Nếu mỗi lần nhấn đều có một contactor tác động, chứng tỏ mạch điều khiển và chế độ bù tay hoạt động ổn định. Khi muốn ngắt các cấp tụ, nhấn DOWN để đưa từng cấp ra khỏi hệ thống.
Sau khi hoàn tất kiểm tra, tiến hành chuyển sang chế độ bù tự động. Thực hiện lại thao tác: nhấn MODE đến khi đèn SWITCH PRO sáng, nhấn PROG, sau đó dùng UP/DOWN để chọn Aut (tự động). Cuối cùng, nhấn PROG để lưu thiết lập.
Sau khi hoàn tất các bước cài đặt, bộ điều khiển tụ bù Shizuki có thể vận hành bình thường. Nếu xuất hiện cảnh báo hoặc lỗi, hãy kiểm tra tài liệu hướng dẫn để xác định nguyên nhân và xử lý đúng cách.
7. Huỳnh Lai Electric – Phân phối bộ điều khiển tụ bù Shizuki chính hãng
Huỳnh Lai Electric tự hào là nhà phân phối uy tín các thiết bị điện chất lượng cao trên toàn quốc, trong đó có bộ điều khiển tụ bù Shizuki. Chúng tôi cam kết cung cấp sản phẩm chính hãng với đầy đủ chứng từ CO – CQ, bảo hành minh bạch và dịch vụ hậu mãi chuyên nghiệp.
Khi lựa chọn Huỳnh Lai Electric, khách hàng sẽ được:
- Tư vấn chọn model phù hợp với nhu cầu thực tế và hệ thống điện.
- Hỗ trợ kỹ thuật toàn diện, từ đấu nối, cài đặt đến vận hành thử nghiệm.
- Giao hàng nhanh chóng trên toàn quốc, đảm bảo tiến độ thi công.
- Sản phẩm chính hãng 100%, nguồn gốc rõ ràng, hạn chế rủi ro hư hỏng hoặc thiết bị kém chất lượng.
Với đội ngũ kỹ sư giàu kinh nghiệm và am hiểu sâu về bộ điều khiển tụ bù, Huỳnh Lai Electric không chỉ cung cấp thiết bị điện công nghiệp mà còn đồng hành cùng khách hàng để tối ưu hệ số công suất, tiết kiệm năng lượng và nâng cao hiệu suất vận hành toàn bộ hệ thống điện. Liên hệ ngay với chúng tôi qua số Hotline: 0938 984 282 để được tư vấn chi tiết nhất.

