Bảng Giá Thiết Bị Đóng Cắt Mitsubishi Mới Nhất Hiện Nay Thiết bị điện Mitsubishi do Nhật Bản sản xuất là một trong những dòng thiết…
Đồng Thanh Là Gì? Ứng Dụng Của Đồng Thanh Trong Cuộc Sống Đồng thanh là một trong những vật liệu rất quen thuộc trong công việc gia…
Danh Sách Các Thiết Bị Điện Dân Dụng Cần Thiết Trong Xây Nhà Khi xây nhà, việc lên danh sách các thiết bị điện dân dụng là một…
Aptomat Là Gì? Cấu Tạo Và Nguyên Lý Hoạt Động Của Aptomat Aptomat là thiết bị điện được ứng dụng rộng rãi trong công nghệ điện dân…
Tủ Điện Phân Phối Là Gì? Phân Loại Tủ Điện Phân Phối Trên Thị Trường Tủ điện phân phối đóng vai trò vô cùng quan trọng trong hệ thống điện. Nó…
Khái Niệm Và Quy Ước Khoảng Cách An Toàn Về Điện Cao Áp Hiện nay, hầu hết các thiết bị mà con người sử dụng trong sinh hoạt…
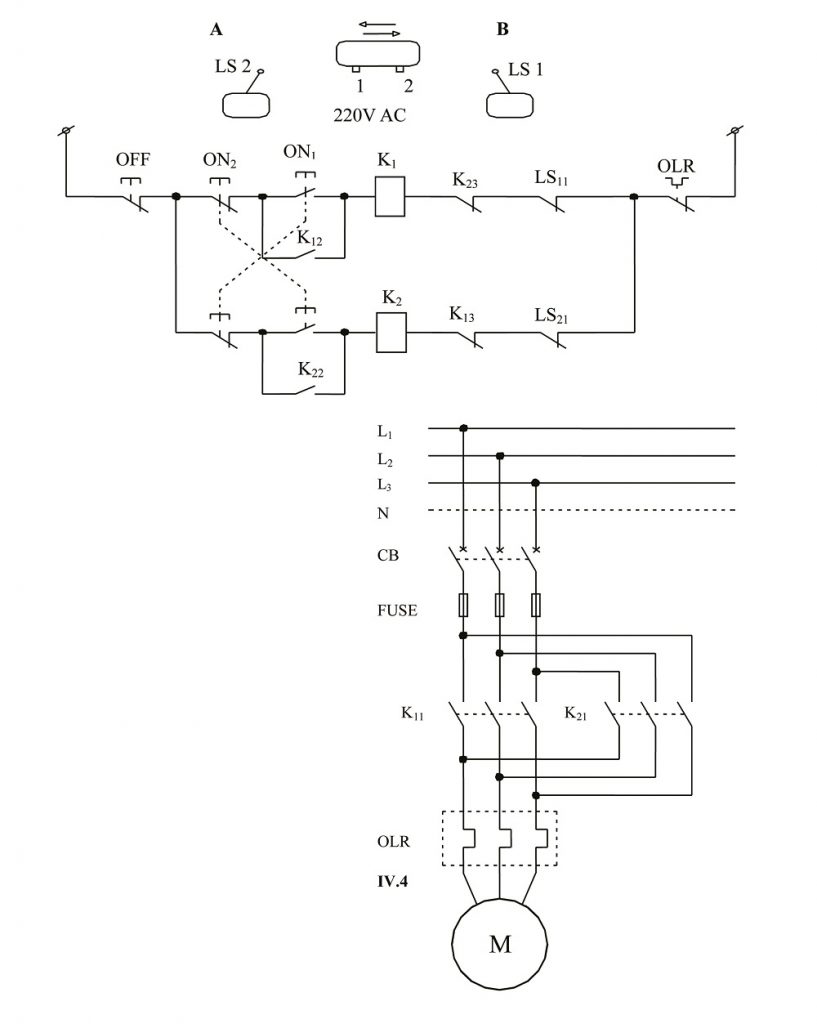
Phần Mềm Vẽ Mạch Điện Và Các Mạch Điện Công Nghiệp Cơ Bản Sơ đồ mạch điện thường khá phức tạp, từ đó mà người ta đã dần…
Cách Tính Điện Năng Tiêu Thụ Chuẩn Như Thế Nào? Nguyên nhân khiến một số hộ có tiền điện cao chủ yếu là do việc…
Các Thiết Bị Trong Tủ Điện Công Nghiệp Gồm Những Gì? Tủ điện công nghiệp được sử dụng ở rất nhiều các công trình, nhà máy,…